资料下载

公司主营产品户〈 内〉外真空断路器、多〈少〉油断路器、隔离开关、跌落式熔断器、避雷器、绝缘子、高压熔断器、穿墙套管、负荷开关、电站金具等产品。

资料下载

公司简介

鹏高电气自创办以来,就实施高起点、高质量、高水平的“三高”战略,以完整科学的质量管理体系,倾力打造行业品牌。

企业文化

公司始终以“质量重于山,诚信大与海”经营方针,和以“质量为首”的立业宗旨,“我们始终努力的创新科技、专注质量品牌”。

产品中心

当前位置: 首页 > 产品中心 > 高压穿墙套管 > CLB-10KV/200-1500A户内铝导体穿墙套管

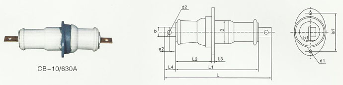
CLB-10KV/200-1500A户内铝导体穿墙套管

详细信息

产品说明及使用方法:

CLB-10KV/200-1500A户内铝导体穿墙套管

一、概述

   高压穿墙套管(以下简称套管)适用于额定电压(10~35)kV, 频率(15~60)Hz的三相交流系统电站和变电所配电装置上 ,供导电部分穿过隔板、墙壁或其它接地物,起绝缘支持和外部导线(母线)间固定连接之用。
使用环境条件
1)户内套管
 环境温度不高于+40℃,不低于-40℃
 海拔不超过l000m
 相对湿度月平均值不大于90%
 周围空气应不受腐蚀性或可燃气体、水蒸汽等明显污秽
 无经常性的剧烈振动

2)户外套管
 环境温度不高于+40℃,不低于-40℃;
 海拔不超过l000m;
 风速不大于34m/s
 产品的使用环境的空气污秽程度,按GB/T5582 分为Ⅰ、Ⅱ、Ⅲ、Ⅳ等4 级;
 无经常性的剧烈振动

二、产品特点

    套管由瓷件、金属附件、安装法兰和导电排(杆)等组成。
 

三、用途及分类

    穿墙瓷套管用于电站和变电所配电装置及高压电器,供导线穿过接地隔板、墙壁或电器设备外壳,支持导电部分使之对地或外壳绝缘。
    穿墙瓷套管按其使用环境可分为户内和户外穿墙瓷套管。按穿过其中心的导体不同可分为母线穿墙瓷套管、铜导体穿墙瓷套管和铝导体穿墙瓷套管。
    当铜导体与母线直接相连时,易产生电化腐蚀,接触面温升过高二导致接头烧坏,影响设备寿命,故应采用铜铝过渡接头,但又给现场施工带来麻烦,采用铝导体瓷套管则可解决上述问题。
    户内、户外穿墙瓷套管是由瓷件、导电杆、两端金属附件及安装法兰装配而成。母线穿墙瓷套管是由瓷件、两端金属附件、母线夹板及安装法兰装配而成(母线夹板通常由用户按母线尺寸自配)。
    穿墙瓷套管的各项性能符合GB12944.1《高压穿墙瓷套管技术条件》的规定。
 

四、型号说明

五、安装使用说明

    1.穿墙瓷套管适用于工频交流额定电40.5kv以下,安装地点周围环境温度为-40℃~+40℃,海拔不超过1000m之电站及变电所配电装置。
    2.户内穿墙套管不适用于对套管的瓷釉、金属附件及水泥胶合剂有破坏作用或足以降低套管电气性能的场所。
    3.穿墙瓷套管在运行中如产生局部放电现象时,应检查瓷套管法兰处或内腔有无喷铝层局部脱落现象,如有应及时采取临时均压措施。
    4.安装母线穿墙瓷套管的墙孔应按其法兰加强筋最大尺寸开孔。
 

六、外形及安装尺寸

型号
额定电压KV
额定电流A
工频电压kv不小于
BIL kv peak 不小于
弯曲破坏负荷kN不小于
5秒钟短时电流kA不小于
干耐受
湿耐受
击穿
CLB-10/200
10
200
47
30
75
80
7.5
3.8
CLB-10/400
10
400
47
30
75
80
7.5
7.2
CLB-10/600
10
600
47
30
75
80
7.5
12
CLB-10/1000
10
1000
47
30
75
80
7.5
20
CLB-10/1500
10
1500
47
30
75
80
7.5
30

L
L1
L2
L3
L4
B
d1
d2
a1
a2
b
b1
450
350
165
10
48
100
2-φ12
φ12
165
15
30
3
450
350
165
10
48
100
2-φ12
φ12
165
15
40
5
450
350
165
10
48
100
2-φ12
φ12
165
15
40
8
500
350
165
10
75
100
2-φ12
φ12×4
165
15
60
12
500
350
165
12
75
100
2-φ12
φ12×4
165
15
60*2
10

产品样本
电子样本