资料下载

公司主营产品户〈 内〉外真空断路器、多〈少〉油断路器、隔离开关、跌落式熔断器、避雷器、绝缘子、高压熔断器、穿墙套管、负荷开关、电站金具等产品。

资料下载

公司简介

鹏高电气自创办以来,就实施高起点、高质量、高水平的“三高”战略,以完整科学的质量管理体系,倾力打造行业品牌。

企业文化

公司始终以“质量重于山,诚信大与海”经营方针,和以“质量为首”的立业宗旨,“我们始终努力的创新科技、专注质量品牌”。

产品中心

当前位置: 首页 > 产品中心 > 跌落式熔断器 > PRW12跌落式熔断器(100A,200A)

PRW12跌落式熔断器(100A,200A)

详细信息

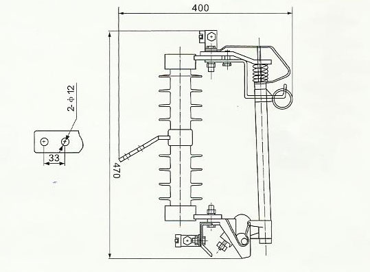
PRW12跌落式熔断器

一、概述

    跌落式熔断器及拉负荷跌落式熔断器是户外高压保护电器。它装置在配电变压器高压侧或配电线支干线路上、用作变压器和线路的短路、过载保护及分、合负荷电流。跌落式熔断器由绝缘支架和熔丝管二部分组成,静触头安装在绝缘支架两端,动触头安装在熔丝管两端,熔丝管由内层的消弧管和外层的酚醛纸管或环氧玻璃布管组成。拉负荷跌落式熔断器增强弹性辅助触头及灭弧罩,用以分,合负荷电流。
    跌落式熔断器在正常运行时,熔丝管借助熔丝张紧后形成闭合位置。当系统发生故障时,故障电流时熔丝迅速熔断,并形成电弧,消弧管受电弧灼热,分解出大量的气体,使馆内形成很高压力,并沿管道形成纵吹,电弧被迅速拉长而熄灭。熔丝熔断后,下部动触头失去张力二下翻,锁紧机械,释放熔丝管,熔丝管跌落,形成明显的开断位置。当需要拉负荷时,用绝缘杆拉开动触头,此时主动、静动触头仍然接触,继续用绝缘杆拉动触头,辅助触头也分离,在辅助触头之间产生电弧,电弧在灭罩狭缝中被拉长,同时灭弧罩产生气体,在电流过零时,将电弧熄灭。

二、用途

    户外跌落式熔断器适用于35kv及以下电压频率50Hz电力系统中,作输电线路、电力变压器过载和短路保护,分合额定负荷电流只用,机械寿命≥2000次。

三、使用条件

1.适用于环境温度上限40℃,下限-30℃之内。
2.海拔不超过1000m,风速不大于35m/s
3.熔断器不适用于下述场所
3.1有燃料或爆炸危险的场所。
3.2有剧烈震动或冲击的场所。
3.3有异电化学气体作用及严重空气污秽,烟雾地区。

四、结构简介

    熔断器是由基座和消弧装置两大部分组成,灭弧管下端装有可能转动的弹簧支架,始终使熔丝处于紧张状态,以保证灭弧管在合闸位置的自锁,线路与变压器过载或短路中,熔丝熔断,熔丝迅速从灭弧管中抽出,灭弧管设计为逐级排气式解决在同一熔断器上开断大小电流的矛盾。

五、型号说明

六、主要技术参数

型号
额定电压kv
额定电流A
开断电流kA
冲击电压BIL
工频耐压kv
PR12W-10/100
12
100
6.3
110
42
PR12W-10/200
12
200
12.5
110
42

产品样本
电子样本